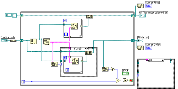
回帰的ファイルサーチ
回帰的にディレクトリを手繰りながら全てのファイルをサーチします。
比較的高速です。

入力
- Starting path
サーチを開始するディレクトリパス
出力
- All files under selected dir
全てのファイルのパス。
- Num of Files
見つかったファイルの総数
- All dir list
全てのディレクトリのリスト。開始パスも含みます。
- Num of Dir(s)
見つかったディレクトリの数


ダイアグラムの解説
- 開始パスをディレクトリリストの配列に変換し、その下の全ファイルとディレクトリをリストアップします。
- リストアップされたファイルのフルパスを作ってファイルリストに加えます。
- サブディレクトリがあれば、フルパスを生成してディレクトリリストに加えます。
- ディレクトリリストの次のインデックスの下をリストアップしてステップ2へ戻ることを繰り返します。
- 取り出すインデックスがディレクトリリストの最後であったら終了します。
制限または仕様
- ファイルパターンを指定することができません。速度とのトレードオフで、List Directoryを1個しか使っていないためなので、ファイルとディレクトリのサーチに2つ使えば実現できます。
ダウンロード
filesearch.llb(29KB)